山東萬象環境科技有限公司
聯系人:周經理
銷售電話:19853697985
銷售QQ:3836021633
公司地址:山東省濰坊高新區新城街道玉清社區光電路155號濰坊高新區光電產業加速器(一期)1號樓301

聯系人:周經理
銷售電話:19853697985
銷售QQ:3836021633
公司地址:山東省濰坊高新區新城街道玉清社區光電路155號濰坊高新區光電產業加速器(一期)1號樓301

一、漂浮式水質自動監測站產品簡介
漂浮式水質自動監測站又稱水質浮標站,浮標水質監測站,漂浮式水質自動監測站是山東萬象環境研發生產的一款無需人工值守的小型水質監測站,具有價格優惠,安裝方便,測量準確的優點,還可實現遠程觀測實時的水雨情信息,能夠準確測量出水中各種污染物的濃度,為水質評價提供準確的數據支持
1.水質浮漂監測站SFA集數據采集、存儲、傳輸和管理于一體的無人值守的采集系統。它在工農業生產、旅游、城市環境監測、地質災害、防洪、供水調度、電站水庫水情管理等為目的水文自動測報系統;功能強大的上位機軟件可遠程觀測實時水雨情信息,具有數據庫、報表、下載等功能,用戶還可利用該功能完善的氣象軟件對記錄的數據作進一步的處理分析。
2.SFA06款浮標是由水質傳感器(水溫、電導率、PH、溶解氧、氨氮、濁度)、數據采集儀、通訊系統、供電系統、整體 支架、水質監測平臺六部分組成。同時可擴展COD、葉綠素、懸浮物等多項水質要素。數據采集儀具有數 據采集、實時時鐘、數據定時存儲、參數設定和標準2G/4G(GPRS)通信功能。
二、漂浮式水質自動監測站產品特點
1.易部署:各類型探頭進行高度集成,安裝方便;提供免費云平臺服務,系統快速上線;
2.易維護:設備安裝后,自行工作即可,無需人工值守,也可以通過遠程監控的方式保障設備的正常運行;
3.易擴展:傳感器探頭均使用統一的通信協議,可以快速對接原設備,快速擴展監測參數;
4.低功耗:設備可以實現低功耗狀態下,長時間運行,增加設備使用的便利性;
5.實時性:設備監測到的數據實時傳輸至云平臺,提升環境數據反饋的及時性。
三、技術參數
1. 主體參數
| 產品名稱 | 描述 | 
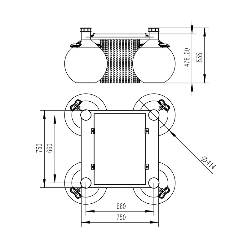
| 環境水質監測浮標 | 可實時實現多路參數在線監測。可實現電池電量監控。可實現云平臺數據監控、數據推送、數據的存儲和報警功能;數據的無線發射功能。峰值功耗為 5W;傳感器功耗 0.25W左右/只。外形尺寸:750mm*750mm*535mm。浮球直徑414mm重量:22kg | 
| 采集器數據采集 | 運行可靠,抗干擾,可集成多路RS485/MODBUS-RTU從站設備 | 
| 采集器數據輸出 | 1 路 Rs485/JSON協議輸出 | 
| 電池 | 鋰電池 12VDC,20AH(默認) | 
| 太陽能電池板 | 22.1V/50W(默認) | 
| 供電能力 | 定制選型;陰雨天間歇工作 5天以上 | 
| 位置指示(選配) | 警示燈;GPS 定位; | 
| 監測平臺 | 云平臺;手機/電腦多終端登錄 | 
| 防護罩 | 304 不銹鋼濾筒防護罩 | 
| 浮體 | 直徑414mm 球形浮體*4工程塑料 | 
2.可選配傳感器的主要參數
| 序號 | 名稱 | 測量范圍 | 測量原理 | 測量精度 | 是否標配 | 備注 | 
| 1 | 溫度 | 0~50℃ | 高精度數字傳感器 | ±0.3℃ | ? | |
| 2 | pH | 0~14(ph) | 電化學(鹽橋) | ± 0.1PH | ? | |
| 3 | ORP | -1500mv~1500mv | 電化學(鹽橋) | ± 6mv | ||
| 4 | 電導率 | 0~5000uS/cm | 接觸式電極法 | ± 1.5% | ? | |
| 5 | 濁度 | 0~40NTU(低濁) | 散射光法 | ± 1% | 低濁可定制 | |
| 0~1000NTU(中濁) | 散射光法 | ± 1% | 中濁可定制 | |||
| 0~3000NTU(高濁) | 散射光法 | ± 1% | ? | 默認發 | ||
| 6 | 溶解氧 | 0~20mg/L | 熒光壽命法 | ± 2% | ? | |
| 7 | 氨氮 | 0~100mg/l | 離子選擇電極法 | ±1mg | ? | |
| 8 | cod | 0~500mg/ L | UV254 吸收法 | ±5% | 默認發、cod濁度一體;帶有自動清潔器,可防止生物附著,避免光窗污染,以保證長期監測依然具有穩定性;可設置自動清潔時間及清潔次數,功耗0.7W | |
| 濁度 | 0~400NTU | 散射光法 | ± 1% | |||
| 9 | 懸浮物 | 0~2000mg/L | 散射光法 | ±5%(取決于污泥同質性) | ||
| 10 | 葉綠素 | 0~400ug/L | 熒光法 | R2>0.999 | 帶有自動清潔器,可防止生物附著,避免光窗污染,以保證長期監測依然具有穩定性;可設置自動清潔時間及清潔次數,功耗0.7W | 
四、產品尺寸圖

五、設備安裝要求
1.遠離大功率無線電發射源
2.遠離高壓輸電線和微波無線電傳送通道
3.盡量靠近數據傳輸網絡
4.遠離強電磁干擾
六、云平臺介紹
1.CS架構軟件平臺,支持手機、PC瀏覽器直接觀測.無需額外安裝軟件。
2.支持多帳號、多設備登錄
3.支持實時數據展示與歷史數據展示儀表板
4.云服務器.云數據存儲,穩定可靠,易于擴展,負載均衡。
5.支持短信報警及閾值設置
6.支持地圖顯示、查看設備信息。
7.支持數據曲線分析
8.支持數據導出表格形式
9.支持數據轉發,HJ-212協議,TCP轉發,http協議等。
10.支持數據后處理功能
11.支持外置運行javascript腳本
WX-LSZ06戶外水質監測設備具有實時監測、準確度高、操作簡便等優點。它能夠快速響應水質變化,提供及時、準確的水質數據,為養殖者提供科學決策依據。同時,戶外監測設備不受空間限制,可靈活部署于養殖池塘、水庫等水域,滿足多樣化監測需求。戶外水質監測設備廣泛應用于各類水產養殖場景,包括淡水養殖、海水養殖、蝦蟹養殖等。無論是大規模集約化養殖,還是小規模家庭式養殖,戶外水質監測設備都能發揮重要作用。...
水中的離子濃度是衡量水質的重要指標之一。離子種類和數量的不同,反映了水質的純凈程度以及可能存在的污染情況。WX-S7在線電導率傳感器正是基于這一原理,通過測量水的電導率來間接反映水中離子的濃度。與傳統的人工水質檢測方法相比,在線電導率傳感器具有顯著的優勢。傳統方法通常需要采集水樣,然后送到實驗室進行分析,這個過程不僅耗時費力,而且無法實時獲取水質數據。...
WX-ZS1S水質cod在線分析儀集成了先進的傳感器技術、自動采樣技術、數據處理與傳輸技術等,能夠24小時不間斷地工作,實時監測并記錄水質數據。一旦發現COD值異常,系統會立即發出警報,幫助管理人員迅速定位污染源,采取有效措施進行干預,有效防止水質惡化。其智能化、自動化的特點,大大提高了水質監測的效率和準確性,為水質管理提供了強有力的技術支持。...
在環境保護和水資源管理的領域里,多參數水質在線監測儀正以其卓越的性能和廣泛的應用領域,成為守護水質安全的重要工具。WX-QSZ03多參數水質在線監測儀的核心優勢在于其全面的監測能力。它能夠同時監測水質中的PH、溫度、濁度、電導率、溶解氧、COD、氨氮、懸浮物等多種參數。這些參數是評估水質狀況、預測水質變化趨勢的重...
WX-LSZ04河道水質監測系統采用了先進的技術手段,實現了對河道水質的全天候監測。這一系統通常由多個監測站點組成,每個站點都配備了高精度的水質傳感器和數據處理設備。這些傳感器能夠實時監測水中的各種參數,如溶解氧、pH值、濁度、溫度、電導率以及重金屬離子濃度等。通過這些參數的變化,可以全面了解河道水質的狀況及其變化趨勢。...
WX-S8溶解氧傳感器,作為一種專門用于測量水中溶解氧含量的設備,已經成為水質監測的重要工具。它通過電化學或光學原理,實時、準確地檢測出水體中溶解氧的濃度,為水質評估提供可靠數據。在水產養殖中,溶解氧傳感器可以實時監測養殖水體中的溶解氧含量,確保養殖生物獲得充足的氧氣供應,提高養殖效益;在河流、湖泊等水體的污染治理中,溶解氧傳感器可以幫助監測水體污染程度...